When designing the protection of capacitor banks, engineers mostly resort to the well-known voltage differential protection (87V). This protection scheme aims to detect faults in the bank by measuring a ratio between two measurement points in the bank. Failed capacitor elements, as well as rack faults, cause a change in measured voltages, resulting in a change of ratio. Depending on the amplitude of this change, the protection relay can issue an alarm to SCADA or a trip signal to the bank breaker.
Impedance-based protection for capacitor banks (21C) was proposed to overcome some drawbacks of voltage differential protection (87V). More specifically, it was shown to be more secure in fuseless capacitor banks. But, in the end, how does this impedance-based scheme relate to the more traditional voltage differential protection? To answer this question, it may be useful to review the principles behind an 87V element.
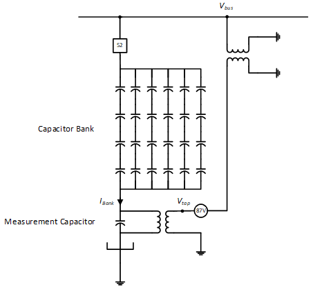
The following figure illustrates a fuseless shunt capacitor bank with its 87V protection. The protection involves the use of a measurement capacitor on the low-voltage side of the bank. The voltage differential protection uses voltage readings both from the bus, and from the measurement capacitor (or tap capacitor). The protection setting is the expected ratio between the two measured voltages.

A change in this ratio may mean an ongoing fault, or the loss of capacitor elements. In the end, what does this ratio really represents? The following equation sheds some light…

This equation demonstrates that the ratio monitored by voltage differential protection represents the ratio of the impedance of the bank (RBank) to the impedance of the measurement capacitor (Rtap), given the latter is much smaller. Thus, the big picture is that the voltage differential protection is still operating upon a change in the impedance of the bank, relative to a reference impedance, either due to capacitor failures or to faults.
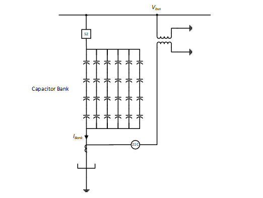
The impedance-based protection scheme replaces the need for a measurement capacitor by the use of a current transformer. This transformer provides a current measurement that the protection relay uses to calculate the actual impedance of the bank. This current transformer could be installed either on top or below the bank. Installing it on the low-voltage side of the bank, as illustrated in the next figure, puts less requirements on insulation and potentially reduces the cost of the equipment.

Then, instead of a voltage ratio, the relay operates when the difference in impedance exceeds a certain threshold, as illustrated below.

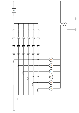
The impedance-based scheme can also allow more granularity in the protection of the whole bank. For example, in a fuseless bank, current transformers could be installed on each branch of the bank. Instead of having a global protection element for the bank, each branch has a separate protection element, using its own impedance measurement.

Having an impedance reading for each branch gives more margin of error to differentiate faults occurring in a single branch from faults occurring in multiple branches. Using a voltage differential protection, the protection relay cannot distinguish failed capacitor elements in a single branch vs in multiple branches. The current increase caused by these failures will eventually lead to a trip of the bank and require maintenance. On the other side, an impedance measurement per branch allows to identify where the faulted capacitors are in the bank. Distributed failures would no longer lead to a trip of the bank because capacitor units are still operated within their rated voltage. This translates into increased availability of the bank.
Another advantage of this protection is that it provides a human readable way to monitor the bank. Knowing the expected impedance of the bank, or its branches, one can easily relate it to the measured impedance measured by the relay. These measurements can also be displayed locally or remotely to the user, using a graphical interface that allows easy evaluation of the bank health.

The impedance measurements could also be transmitted to a data logger to measure aging of the bank. This data would prove valuable in a condition-based maintenance project for capacitor banks.
Finally, while the 87V and 21C protection schemes both aim to detect capacitor failures and faults within the bank, their inner workings are still different. Using the two schemes on a single bank would not only provide redundancy of the protection devices, but also redundancy at a functional level; one scheme might be more effective at detecting some limit cases and vice versa.
To learn more on how to improve capacitor bank health monitoring and reduce maintenance costs with an impedance-based protection, simply send us an email at and request a copy of our white paper.
Subscribe to our newsletter to receive the latest articles.